当前位置:网站首页>Introduction to PCIe xdma IP core (with list) - mingdeyang science and Education (mdy edu. Com)
Introduction to PCIe xdma IP core (with list) - mingdeyang science and Education (mdy edu. Com)
2022-04-23 01:23:00 【MDYFPGA】
1.PCIE Send and receive data
The purpose of this project is to XC7K325tffg On the platform of pcie Data sending and receiving , rate 8 passageway 2.5GB/s, First, let's take a look at the PCIE The structure of the part :
framework

The function of each module
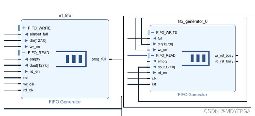
PCIE Partial structure diagram

This is a PCIE IP nucleus , Mainly used to send data , The sending engine is mainly responsible for sending the data to be sent according to the PCIE Agreements are organized into different types of TLP Data packets , And send it to PCIE IP nucleus ; send out DMA The control module is mainly responsible for DDR3 Convert the data read in to TLP Format , And send it to the sending engine ; The receiving engine is used to receive data from PCIE IP Nuclear reception of different types TLP data , receive DMA The control module is used to realize the transmission flow control of memory read request packet and the conversion of received data bit width ;DMA The status control register module is mainly used to parse the data from PC Commands and configuration of internal registers of the module , And notify the sending engine module 、 The receiving engine module and other modules execute accordingly .

Chart SEQ Chart * ARABIC 1
In chart 1 On the left Rd_fifo Data write cache module , The figure on the right shows the read cache data module .
Fifo: First in, first out . Digital circuit design fifo Actually, it means fifo Memory , It is mainly used for data caching and asynchronous processing ,fifo Memory cache data also follows the principle of first in, first out .Fifo The essence is a RAM, The difference between it and ordinary memory is that there is no external read-write address line , It's very easy to use , But the disadvantage is that you can only write data in sequence , Sequential read and write data .
Signal list

That's all pcie xdma ip Nuclear introduction , Students who want to learn more , You can pay attention to mingdeyang FPGA Official account of science and education
版权声明
本文为[MDYFPGA]所创,转载请带上原文链接,感谢
https://yzsam.com/2022/04/202204221021228475.html
边栏推荐
- Good test data management, in the end how to do?
- Cloud native Virtualization: building edge computing instances based on kubevirt
- Introduction to granularity locking of gbase 8s concurrency control
- Three technical solutions of ant group were selected as "typical solutions for information technology application and innovation in 2021"
- VS+C# 实现窗体输入框默认显示灰色文字
- Rotation slice
- Interview eight part essay (disorderly order, no classification)
- Initial experience of talent plan learning camp: communication + adhering to the only way to learn open source collaborative courses
- Yyds dry goods counting flag variable rule
- Blocking granularity of gbase 8s concurrency control
猜你喜欢

2022 penetration job interview (thinking)

Application of safe electricity management platform in Jingbian Museum safe electricity management system

"Open source summer" activity is hot. In the registration, rich bonuses are waiting for you to get!

10月24号是什么?中国的高级程序员为什么没有五六十岁的,而国外人、、、,玉念聿辉带你过1024程序员节日

App uses the template message from WeChat official account for message push.
![[server data recovery] data recovery case of server crash after the hard disk of the server is flooded](/img/8f/aaa76cf4c578555dfd89c6865c61c2.jpg)
[server data recovery] data recovery case of server crash after the hard disk of the server is flooded

Innovative practice of short video content understanding and generation technology in meituan

engine. Post() handles post requests

Workplace PUA, five sins of managers

gin -get请求的小示例2-Handle处理post请求
随机推荐
The code bought from the salted fish | SSM hotel room management system | whether the purchased source code can really be used | confusion from the programmer | Yu Nianyu Hui | Wu Minghui, dachou Vill
Articles for May
世界读书日:18本豆瓣评分9.0以上的IT书值得收藏
Workplace PUA, five sins of managers
京东一面:子线程如何获取父线程 ThreadLocal 的值?我蒙了。。。
Research and application of power monitoring system in sports training center
全排列(DFS和next_permutation解法)
Innovative practice of short video content understanding and generation technology in meituan
gin -get请求的小示例2-Handle处理post请求
Generating class diagram with EA reverse engineering code
GBase8s SQL 引擎框架简介
Learning of gin framework -- golang
稳定币是让公链加速死亡或者取代BTC的超级机会?
Gbase 8s shared memory segment deletion
IMX6ULL裸機開發之硬件IIC分析及配置過程
Blocking granularity of gbase 8s concurrency control
Redis forgets the password and resets the password
四级城市地区表 xlsx, sql文件,国内,中国省市县街道乡镇四级地址 (名称,联动ID,层级,是否末级(1-是))
Analysis of uboot directory structure
光猫超级帐号密码,重置光猫获取超级帐号密码