当前位置:网站首页>The working principle of triode, FET and MOS transistor
The working principle of triode, FET and MOS transistor
2022-04-22 09:39:00 【Taotao ~】
triode 、 FET and MOS tube
Based on the working principle of diode , This article continues to explain and PN The working principle of three kinds of transistors closely related to the junction .
One 、 Working principle of triode
We know that the triode is Current amplifier .
The triode is divided into NPN The type and PNP Type semiconductor , The structure and working principle of the two are basically the same , This article takes NPN The working principle of the transistor is analyzed .
The structure diagram of triode is shown in the figure , There are two inside the tertiary tube PN junction , They are collector junction and emitter junction , Basic set (B)、 Collector (C) And the emitter (E) Three pins .

Apply voltage to the three pins of the triode , What conditions can be reached to make the triode turn on ?
If U2=0, namely B Pole current is 0, The triode must not be on , Because of existence PN The phenomenon of reverse junction bias .

1. Triode conduction
If B Polar current is not 0, How will the three-level linkage work ? As shown in the figure :

U2 Greater than a certain value ( It's usually 0.7V), Then the emission junction is positively biased , The base injects a small current , Will attract electrons from the emitter to the collector , Triode conduction .
2. Current amplification
There are different doping concentrations in the three regions of the triode device , The concentration of the emitter is much higher than that of the base , At this time, a large number of electrons from the transmitter flow to the collector , Thus amplifying the base current .—— The triode works in the linear amplification region
The doping concentration of the three regions is : The emitter > The base > Collector .
When the base current is greater than a certain value ,** The triode works in the saturated region .** We can use faucet analogy in life , Turn the faucet to the maximum , The water flow reaches the threshold .
Two 、 Field effect tube (JFET) working principle
The three pins of the FET are the gate 、 Source and drain . FET is divided into N Channel and P Channel field effect tube , As shown in the figure below ,

GFET The internal structure of the is as follows

This article takes N Explain the working principle of channel fet , According to its internal structure diagram, there are also two... Inside the FET PN junction , control PN The size of polar inversion layer can be controlled N The channel size controls the current size .

As shown in the figure , The field effect transistor turns on , If the voltage between the grid and the source set is 0 when , The source collector goes to the drain , At this time, the current between the drain and the source is the maximum .
When VGS The pressure difference between is greater than a certain value , Put it in N In the channel fet, the gate voltage is a certain value lower than the source voltage , Then there is no through electric field between FET , So that there is no current between the drain and the source . As shown in the figure below :

Therefore, the gate can control the on-off of the FET , The control of drain voltage for channel is bidirectional control , The channel cannot be clamped ,VDS If it is greater than a certain value, the channel will reach an equilibrium point , Enter the constant current zone .
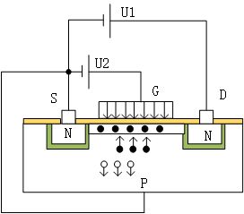
3、 ... and 、MOS How the tube works
MOS Tube is FET One of the , Now it mainly uses enhanced MOS tube , It is divided into PMOS and NMOS, Its electrical expression is as follows .
MOS The tube also has a grid (G)、 Drain electrode (D) Heyuanji (S).
NMOS:

PMOS:

This article takes NMOS Take tube as an example to explain MOS How the tube works , As shown in the figure below , The grid is SIO2.
1. If the grid and source voltages are the same , Apply voltage between drain and source , There is always one PN The knot is reversed , therefore MOS The tube doesn't work .

2. If VGS> Threshold voltage ( Such as 0.7), At the gate SIO2 An electric field will form inside , So as to attract P Electrons in the substrate repel holes , stay N The poles form a reverse hierarchy , That is, the conduction channel .
Half of the grid voltage is in the insulating layer , Half in the depletion layer , So the grid voltage should reach PN Twice the junction on voltage requirement .
Such as depletion layer requirements 0.7V, To make PN The knot is positive and partial , At this time, the grid voltage must be greater than 1.4V.

Within this stage ,VGS increase , The channel will widen , electric current ID It will increase .
3. When VGS>VT when , electric current ID There will be a threshold , Will follow VDS To increase by ,ID When the threshold is reached , Then enter the constant current area .
See... For the working principle of diode :https://blog.csdn.net/m0_51390088/article/details/124321747?spm=1001.2014.3001.5502
版权声明
本文为[Taotao ~]所创,转载请带上原文链接,感谢
https://yzsam.com/2022/04/202204220936563312.html
边栏推荐
猜你喜欢

IOS开发之——数据库-基础知识介绍(01)

VLAN——虚拟局域网概述

【SQL server】SQL 概览

MySQL多实例安装方法一

tensorflow实验四----波士顿房价预测

uni-app项目之 商品列表的下拉刷新 与 上拉加载更多

Development of esp-01s in Arduino (1)

Website domain name application

问题解决:dpkg-deb: error: package name has characters that aren‘t lowercase alphanums or ‘-+.‘

Transformer模型中应用的各类位置编码
随机推荐
MOS tube driving circuit and precautions - Kia MOS tube
The web application scans the code to obtain the user information of zhezheng nail
QT布局管理复习
SQL 关系型数据库管理系统
MOS管驱动电路及注意事项-KIA MOS管
Aardio - [library] webp picture conversion
L3-002 特殊堆栈 (30 分) (二分 栈
基于Transform的深度学习目标检测(DETR模型)
2022起重机司机(限桥式起重机)考试题库及在线模拟考试
An analysis of the application of MOS tube series parallel drive - Kia MOS tube
Website domain name application
遥感图像分割数据集整理(发布)
在 colab 上使用 yolov4
source_insight新建工程以及在整个文档中搜索某个变量或者函数的方法
浅析MOS管开关速度影响因素-KIA MOS管
Starting from the needs of popular science, doctor training and promotion of innovative medical equipment products, how does "baiyihua" layout medical visualization SaaS services?
Input a string of characters randomly from the keyboard, count and output the times of each character (number, uppercase letter, lowercase letter, punctuation, etc.) in the string. It is realized with
QT AxObject库的简单操作
L3-004 tumor diagnosis (30 points) (3D BFS)
etcd Watch 异常场景